3000₺ ve üzeri alışverişlerinizde kargo ücretsiz!
3000₺ ve üzeri alışverişlerinizde kargo ücretsiz!
3000₺ ve üzeri alışverişlerinizde kargo ücretsiz!
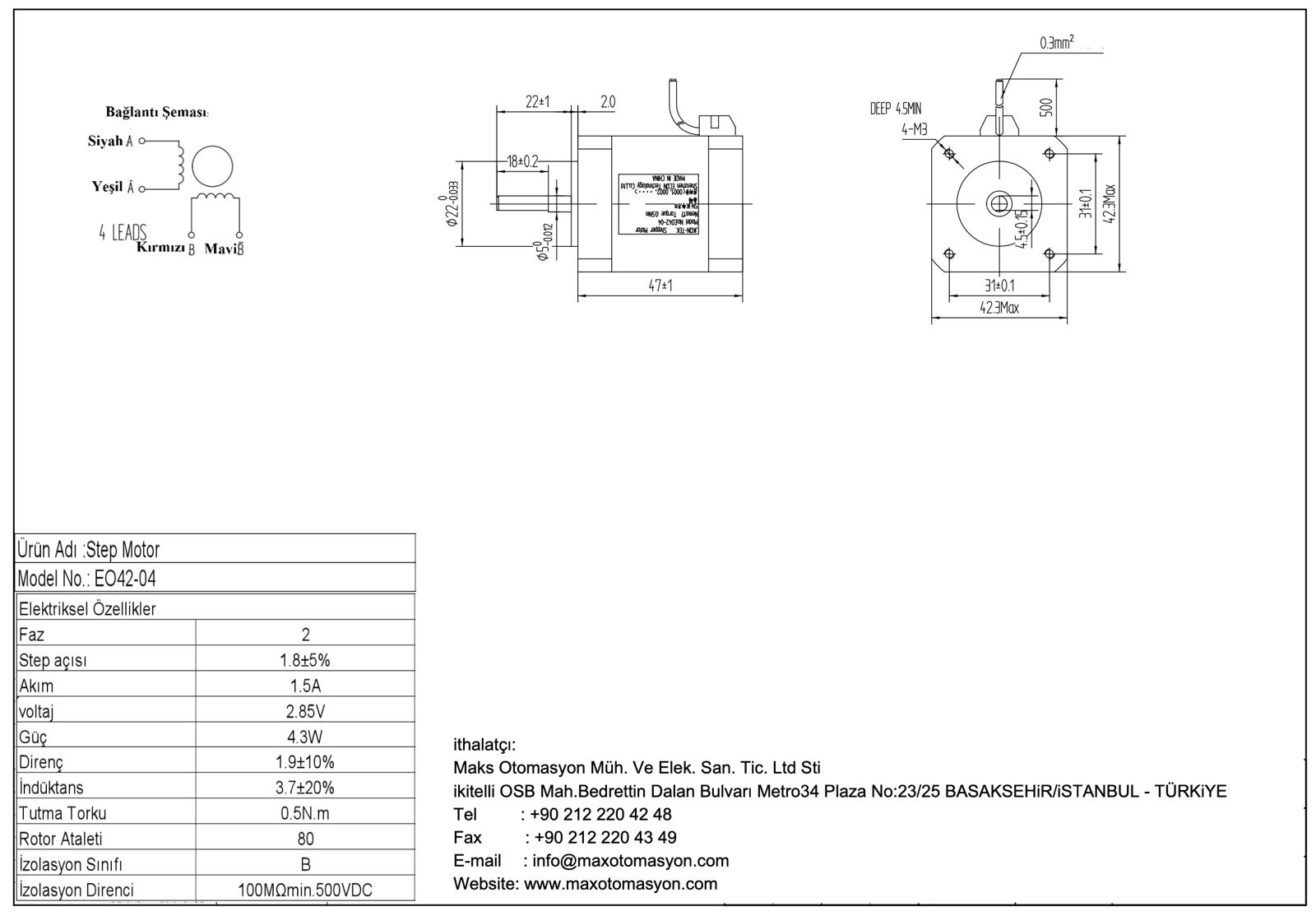
0.5 Nm Step Motor (EO42-04)
0.5 Nm Step Motor (EO42-04)
0.5 Nm Step Motor (EO42-04)
0.5 Nm Step Motor (EO42-04)
0.5 Nm Step Motor (EO42-04)
0.5 Nm Step Motor (EO42-04)
0.5 Nm Step Motor (EO42-04)
0.5 Nm Step Motor (EO42-04)
0.5 Nm Step Motor (EO42-04)

JKON-TEK

0.5 Nm Step Motor (EO42-04)

KDV Hariç Fiyat
features3000 TL üzeri ücretsiz kargo
features7 gün içinde iade değişim
SEPETE EKLE
Ürün Açıklaması
Özellikler

Nema17 42 flanş 0.5 Nm step motor.

50 cm kablolu.


EO SERİSİ STEP MOTORLAR

Açık çevrim step motorlar, otomasyon ve hareket kontrol sistemlerinde yaygın olarak kullanılan, hassas konumlama kabiliyeti sağlayan motorlardır. Bu motorlar sürekli dönme yerine belirli adımlar ile hareket eder.


ADIM ADIM HAREKET:

Her darbe, sabit bir dönme açısına karşılık gelir. Bu sayede motor, yüksek doğrulukta konumlandırma sağlar.


KOLAY KONTROL:

Diğer motor türlerine kıyasla step motorların kontrolü daha basittir. İstenen hareketin sağlanması için yalnızca uygun sinyal darbelerinin gönderilmesi yeterlidir.

Yorumlar
Bu ürün için henüz yorum yapılmamış.
logo
visamaestromastercardtroy